抑制MMC高频谐振的功率同步控制方法研究
发布时间:2022-11-30
抑制MMC高频谐振的功率同步控制方法研究
游广增 1,刘鸿超2,芮智2,严正2*
(1.云南电网有限责任公司电网规划建设研究中心;2.电力传输与功率变换控制教育部重点实验室(上海交通大学))
本文发表在《全球能源互联网》2022年第6期,受国家自然科学基金项目(52107113)和南方电网云南电网有限责任公司科技项目(059100KK52190014)资助,欢迎品读。
文章导读
为解决传统化石能源开发利用带来的气候变化与环境污染问题,国际社会已经对全球碳中和转型形成了共识,因此大力发展新能源发电已成为必然趋势。近年来,基于模块化多电平换流器的柔性直流输电系统在实际工程中的应用越来越广泛。然而,由于MMC的开关数目多,中高频谐振现象频发,严重影响了电网系统的稳定运行。本文提出了一种在电网出现高频谐振现象时的控制切换策略,即在系统发生高频谐振时,其MMC控制方法由原本的矢量电流控制切换为功率同步控制以抑制高频谐振,最后通过仿真分析验证了该方法的有效性。
文章亮点
(1)对比了矢量电流控制和功率同步控制下MMC阻抗的区别,并通过MMC并网稳定性判据判断了MMC在不同控制下是否会产生高频谐振;
(2)通过在MMC发生高频谐振时将矢量电流控制切换至功率同步控制的方法,保障系统在发生高频谐振时可以继续稳定运行。
主要内容
换流器接入系统的稳定性判据:电网阻抗和换流器阻抗的幅频特性曲线没有交点或有交点但在交点频率下二者的相位差小于180°,则换流器并网系统稳定,否则系统不稳定。

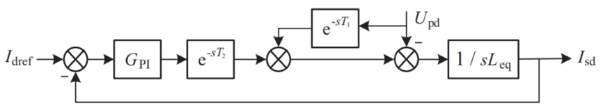
⬆ 图1 MMC简化控制框图
高频阻抗主要与电流内环控制和解耦控制部分相关,忽略MMC的外环控制和锁相环控制,因此MMC控制策略只考虑内环电流控制和电压前馈环节。

⬆ 图2 功率同步控制策略框图
有功功率误差经过截止频率为ωx的滤波器后通过比例积分控制得到的相角与参考相位叠加得到参考电压的相角,而参考电压幅值是由无功功率误差经过滤波器后通过比例积分控制得到的电压幅值,再与换流器交流侧稳态电压幅值叠加得到参考电压的幅值。

⬆ 图3 矢量电流控制下电网和MMC的阻抗特性对比
MMC阻抗与电网阻抗在1430Hz处相交,此频率下的MMC相角为119.38°,电网相角为-64.54°,MMC阻抗和电网阻抗特性曲线交点处相位差>180°,因此发生谐振。

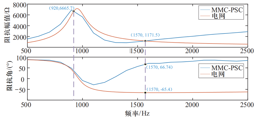
⬆ 图4 功率同步控制下电网和MMC的阻抗特性对比
MMC阻抗曲线幅值与电网阻抗幅值有两个交点,对应的谐振频率分别为920Hz、1570Hz,从相角曲线可以看出二者对应的相角差均小于180°,满足系统稳定的条件。

⬆ 图5 网侧电流仿真波形
在正常工况下,MMC通过矢量电流策略控制,5s时系统发生高频谐振,此时网侧电流段产生了1348Hz的高频谐振,之后在5.3s时将矢量电流控制切换为功率同步控制,有功参考功率为系统正常运行时交流侧有功功率,无功参考功率设置为0。经过一段时间后,网侧电流的高频分量被抑制,MMC矢量电流控制切换至功率同步控制达到了抑制系统高频谐振的效果。
本文引文信息
游广增,刘鸿超,芮智,等. 抑制MMC高频谐振的功率同步控制方法研究[J]. 全球能源互联网,2022,5(6):535-542.
YOU Guangzeng, LIU Hongchao, RUI Zhi, et al. Research on power synchronization control method to suppress MMC high frequency resonance [J]. Journal of Global Energy Interconnection, 2022, 5(6): 535-542(in Chinese).
研究团队
云南电网规划建设中心作为云南电网规划建设的核心技术支撑单位,在新能源并网、系统分析、仿真模型构建、电网稳定技术研究及新技术应用等方面成效显著。游广增,正高级工程师,长期从事机网协调、电力系统分析、仿真技术研究及应用,以第一作者发表核心或EI检索论文10余篇,申请相关专利30余项,获得省部级科技奖励6项。
上海交通大学严正教授课题组从事智能电网优化运行、电力市场、电力系统稳定性分析等领域的研究工作,课题组承担了国家重点研发计划课题、国家自然科学基金及基金委-国网联合基金等项目,科研工作还得到国家电网、南方电网、中国工程院、上海市科委等项目资助,研究成果出版中英文专著4部,发表学术论文300余篇。
作者简介

游广增
高级工程师
研究方向为电力系统安全稳定分析
E-mail:
misteryou@qq.com


刘鸿超
硕士研究生
研究方向为电力电子化电力系统电磁暂态仿真、稳定性分析
E-mail:
hongchaoliu@sjtu.edu.cn


芮智
博士研究生
研究方向为电力系统稳定性
E-mail:
ruizhi1996@sjtu.edu.cn


严正
教授
研究方向为电力系统优化运行、电力市场、电力系统稳定性分析与控制、智能电网与能源互联网
E-mail:
yanz@sjtu.edu.cn
编辑:张 宇
审核:周 舟
《全球能源互联网》中文期刊贯彻落实习近平总书记关于探讨构建全球能源互联网重要指示精神而创办,是国家电网有限公司重点培育的科技期刊,致力于通过发表能源电力、先进信息、气变环境、经济社会等领域最新研究成果,推进构建新型电力系统,加速全球能源绿色低碳转型,助力实现“碳达峰、碳中和”目标。
期刊面向全球公开发行,是中国科技核心期刊,并被中国科学引文数据库(CSCD)、DOAJ 数据库等收录。期刊审稿速度快,平均周期2个月,不收取版面费并设有优厚稿酬。优秀论文作者有机会受邀出席联合国、全球能源互联网发展合作组织、IEEE、中国电机工程学会等国际组织和学术团体举办的学术活动。
诚邀各位专家赐稿交流。
郑重声明
根据国家版权局相关规定,纸媒、网站、微博、微信公众号转载、摘编本网站作品,需包含本网站名称、二维码等关键信息,并在文首注明《全球能源互联网》原创。 个人请按本网站原文转发、分享。



