ABB蔡蓉等:66 kV海上风电交流集电方案技术经济性研究
发布时间:2019-04-09
![]() 该文受全球能源互联网集团有限公司科技项目(GEIC-E(2017)028)资助。 
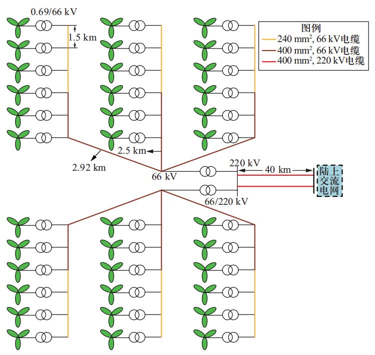
 原文发表在《全球能源互联网》2019年第2期,欢迎品读。 作者:蔡蓉1,张立波2,程濛1,杨晓波1,任大伟3 单位:1. ABB(中国)有限公司;2. 电网安全与节能国家重点实验室(中国电力科学研究院有限公司);3.全球能源互联网集团有限公司 文章导读 随着海上风电单台风机容量大型化,若采用目前普遍使用的35kV交流集电,电缆投资及相应工程费用和难度将增加。提高集电系统电压等级以提高单根电缆的传输能力是必要的。据此,本文提出66kV的海上风电集电方案,并针对35kV和66kV两种交流集电方案,展开技术经济性比较。基于比较结果,结合海上风电技术的发展趋势,推荐适合未来海上风电发展的交流集电方案。 文章亮点 1. 本文通过四组8个案例系统,对35kV集电方案与66kV集电方案的技术经济性进行了全面的分析比较研究。 2. 对于有海上升压站的海上风电场,66kV集电方案的系统比35kV集电方案的系统更有经济性 (主要电气设备及电缆的CAPEX、OPEX和度电成本都较低)。 3. 对于有海上升压站的海上风电场,传输相同功率,采用66kV集电方案的系统比相应的采用35kV集电方案的系统的有功损耗低。 4. 应对未来大容量海上风电机组的技术趋势,无论经济性还是技术性的角度来看,66kV海上风电的集电方案都具有良好的应用前景。 ⬇ 海上风电场35kV交流集电和输电系统拓扑图 ![]() ⬇ 海上风电场66kV交流集电和输电系统拓扑图 ![]() ⬇ 有海上升压站的海上风电场主要电气设备及电缆投资成本 ![]() ⬇ 有海上升压站的海上风电场年运维成本 ![]() ⬇ 有海上升压站的海上风电场度电成本 ![]() 本文引文信息 蔡蓉,张立波,程濛,等. 66 kV海上风电交流集电方案技术经济性研究[J]. 全球能源互联网,2019,2(2):155-162. CAI Rong, ZHANG Libo, CHENG Meng, et al. Technical and economic research on 66 kV offshore wind power AC collection solution[J]. Journal of Global Energy Interconnection, 2019, 2(2): 155-162(in Chinese). 作者简介 蔡 蓉 博士,高级工程师 主要研究方向为集中式及分布式新能源并网及传输、微网、电力电子在电网中的应用和电能质量等 E-mail:rong.cai@cn.abb.com ![]() 张立波 博士,工程师 主要研究方向为电力系统规划与安全稳定分析 E-mail:zhanglibo@epri.sgcc.com.cn ![]() 程 濛 博士 研究方向为智能电网、需求侧响应等 E-mail:meng.cheng@cn.abb.com 编辑:李锡 审核:白恺  | 
郑重声明
根据国家版权局相关规定,纸媒、网站、微博、微信公众号转载、摘编本网站作品,需包含本网站名称、二维码等关键信息,并在文首注明《全球能源互联网》原创。 个人请按本网站原文转发、分享。










