【论文推荐】清华大学梅生伟等:面向工程应用的先进绝热压缩空气储能模型及先进㶲分析
发布时间:2024-04-23
面向工程应用的先进绝热压缩空气
储能模型及先进㶲分析
王国华1,2,张通1,陈来军1,梅生伟1*
(1. 清华大学电机工程与应用电子技术系;2. 中盐金坛盐化有限责任公司)
本文发表在《全球能源互联网》2024年第2期“新型储能关键技术和商业模式”专题上,受国家自然科学基金面上项目 (52077109)、清华大学-丰田联合研究基金(20233930061)资助。
文章导读
近年来,我国压缩空气储能技术发展迅速,目前规划和在建的电站容量已超过5 GW,呈现出良好的发展趋势。然而,目前压缩空气储能仍处于产业化发展的初步阶段,在电站设计、性能评价和分析方面没有完善的标准可依,理论研究和仿真结果与实际工程应用存在较大差距。本文建立了面向工程应用的先进绝热压缩空气储能热力学模型,优化了系统效率定义和计算方法,以实际压缩空气储能电站为例进行了分析。
文章亮点
基于传统热力学模型和热力流程计算软件并考虑空气流动阻力损失及能量转换损耗,建立了面向工程应用的先进绝热压缩空气储能系统模型。
针对目前压缩空气储能效率分析方法存在的不足,提出了适用于工程应用的系统效率定义和计算方法,以某盐穴储气先进绝热压缩空气储能系统为例进行了计算分析,采用先进㶲分析对其进行了热力学分析,指出了系统性能提升的方向。
重点内容
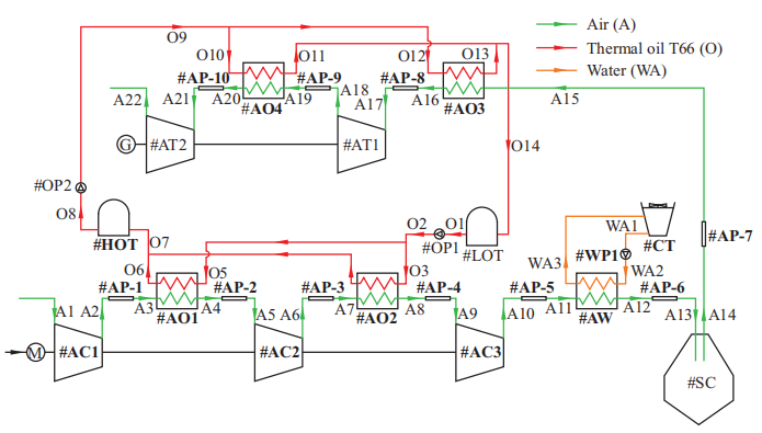
图1为典型的先进绝热压缩空气储能系统图。系统为三级压缩、两级膨胀的技术路线,前两级为大压比定速压缩回收高温压缩热并将其储存在高温合成导热油之中,最后一级为变速压缩以适应背压变化,最后一级压缩热品位较低,不予回收。和一般热力学模型不同的是,本文建模时考虑了管道的流动阻力损失,图中的AP模块包括了管道、阀门和弯头等阻力部件。

⬆ 图1 先进绝热压缩空气储能系统
为了准确评价压缩空气储能系统性能,分别定义轴功效率、电-电效率和电站效率对其进行评估,并指出各计算方式之间的区别。轴功效率ηspe定义为释能过程中总输出的轴功和储能过程中总消耗的轴功之比,电-电效率ηese定义为释能过程中总输出的电能和储能过程中总消耗的电能之比,电站效率ηpse定义为释能过程中总输出的电能和一个循环周期内电站所有消耗的电能之比。典型算例分析结果表明,轴功效率和电-电效率分别为68.72%和63.38%,电-电效率比轴功效率低5%左右,说明能量转换设备损耗对系统性能影响较大。系统电-电效率和电站效率相差不大,其定义与煤电机组发电煤耗和供电煤耗相似,在电站实际工程应用中具有更强的指导和评价意义。



图2给出了压缩空气储能典型算例各部件㶲损失占总㶲损失的比例。从图中可以看出,除了压缩机(AC)、透平(AT)、换热器(AO)外,管道(AP)㶲损失占总㶲损失的比例接近7%,这表明管道损失是影响系统性能的一个重要因素,在进行系统设计时不可以忽略,在选择管道规格时要综合考虑系统效率和经济性。

⬆ 图2 压缩空气储能各部件㶲损失比例
图3给出了压缩空气储能典型算例各部件可避免㶲损失EdAV和不可避免㶲损失EdUN的比较结果。从图中可以看出,大多数部件可避免㶲损失占总损失的比较都比较高,说明系统有比较大的提升潜力。特别是释能侧的两级透平膨胀机,其数值均大于部件的不可避免损失,表明其具有更大的提升潜力,对其优化可以更加显著地降低系统的㶲损失。

⬆ 图3 各部件不可避免与可避免㶲损失
图4给出了压缩空气储能典型算例各部件内部㶲损失EdEN和外部㶲损失EdEX的比较结果。从图中可以看出,所有部件内部㶲损失都远大于外部㶲损失,这表明各部件的㶲损失主要是由于其内部工作过程的不可逆性造成的,与其他部件是否在最佳工作状态影响并不大。

⬆ 图4各部件内部㶲损失与外部㶲损失
本文引文信息
王国华,梅生伟,张通,等.面向工程应用的先进绝热压缩空气储能模型及先进㶲分析[J].全球能源互联网,2024,7(2):127-135.
WANG Guohua, MEI Shengwei, ZHANG Tong, et al. Advanced Adiabatic Compressed Air Energy Storage System Model for Engineering Applications and Advanced Exergy Analysis[J]. Journal of Global Energy Interconnection,2024,7(2):127-135 (in Chinese).
研究团队

清华大学梅生伟教授团队长期致力于压缩空气储能技术的理论研究、技术研发和工程示范工作,先后承担了国家重点研发计划、自然科学基金、省部级科研项目、重大横向项目等80余项科研项目。与中盐集团、华能集团联合建成了我国首座压缩空气储能商业电站-江苏金坛60MW/300MWh盐穴压缩空气储能国家试验示范项目,已累计调度运行600余次,调峰电量2.2亿kWh。
作者简介

王国华
博士,高级工程师
研究方向为压缩空气储能、盐穴综合利用及火电灵活性改造,E-mail:jtwgh6320@163.com。

梅生伟
教授,博士生导师
研究方向为电力系统鲁棒控制、大电网灾变防治、新能源电力系统和大规模储能技术,E-mail:meishengwei@tsinghua.edu.cn。
编辑:张宇
审核:周舟


