计及气体成分变化的电-气-热综合能源系统能量流计算方法
发布时间:2022-12-05
计及气体成分变化的电-气-热综合能源系统能量流计算方法
黄雨佳,孙秋野*,王睿,姚葭
(东北大学信息科学与工程学院)
原文发表在《全球能源互联网》2022年第6期上,欢迎点击品读。本文受国家重点研发计划(2018YFA0702200)、国家自然科学基金重点项目(U20A20190)、中央高校基本科研业务费(N2204003)资助。
文章导读
为实现“双碳”目标,缓解环境压力,综合能源系统(integrated energy system,IES)已成为能源转型的重要发展方向之一。考虑到IES中电转气(power-to-gas,P2G)技术引入的氢气、合成天然气等多类型供气源混合的问题,传统的IES能量流计算已无法确定混合后的燃气品质是否达标,无法量化其对IES中的节点压力、电压等参数影响。为此,提出了一种计及气体成分变化的电-气-热综合能源系统能量流计算方法。首先,将气体相对密度和热值建模为迭代变量,给出了混合气体的相对密度和热值的节点偏差方程及求解流程,为IES中多种供气源及其混合问题提供了通用模型;其次,提出了扩展牛顿-拉夫逊求解方法,给出反映耦合关系的扩展雅可比矩阵,以实现更全面的能量流结果评估和运行分析;最后,通过算例验证了所提模型和方法可有效反映气体成分变化对耦合系统的影响。
文章亮点
1
//将气体特性—气质密度和热值建模为迭代变量,并给出相应的偏差方程及系数矩阵求解流程,为综合能源系统中多种供气源/分布式供气源及其混合问题提供通用模型。
2
//提出一种基于牛顿-拉夫逊法的扩展统一能量流求解方法。该方法给出了包含气体特性,并且反映耦合关系的扩展雅可比矩阵,实现更全面的能量流结果评估和运行分析。
主要内容
不同的气体组成,包含的能量是不同的。如,氢气的热值是天然气的1/3,那么为了保证负荷能量需求,输送的氢气流量就要为天然气的3倍,而这又会大大提高管网压降,因此,有必要对气体特性(热值、密度)变量建模。以气体密度特性为例,其求解过程见图1。

⬆ 图1 气质密度系数矩阵及列向量计算流程图
相应地,统一能量流模型更新为

待求解变量更新为

采用牛顿-拉夫逊法求解,针对更新后的能量流模型,统一雅可比矩阵扩展为


天然气网络对电网的影响通过矩阵Jeg体现,该矩阵更新为

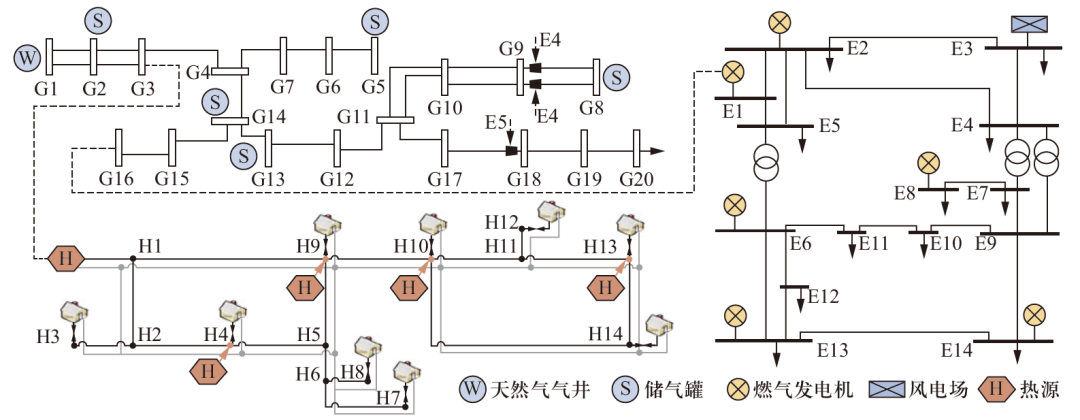
基于所述方法,采用48节点的综合能源系统来观察气体成分变化对综合能源系统的影响。

⬆ 图2 48节点综合能源系统
采用以下2种方法对能量流结果进行比较:方法a为传统的能量流计算方法;方法b为本文提出的计及气体成分的能量流计算方法。结果见下表。
⬇ 天然气网络气源注入

⬇ 天然气网络的负荷需求、压力、气质密度以及热值

考虑气体成分变化,耦合设备的能量需求最大增加了9.84%。
⬇ 耦合设备作为天然气网络负荷的流量需求

⬇ 电力网络能量流结果

⬇ 热力网络能量流结果

综上所述,计及多类型供气源后,气网压力、负荷流量需求、IES中耦合设备的流量需求都受到较大影响,如果不考虑气体成分变化带来的影响,会错误评估综合能源系统的稳态。同时,将气体密度和热值建模为状态变量后,可以清晰地观察混合点气体特性,有助于实现更全面的能量流结果评估和运行分析。
本文引文信息
黄雨佳,孙秋野,王睿,等:计及气体成分变化的电-气-热综合能源系统能量流计算方法[J]. 全球能源互联网,2022,5(6):563-573.
HUANG Yujia, SUN Qiuye, WANG Rui, et al. Combined energy flow calculation method for electric-gas-heat integrated energy system considering gas composition changes[J]. Journal of Global Energy Interconnection, 2022, 5(6): 563-573(in Chinese).
研究团队
东北大学能源互联网与智慧能源研究团队,是以孙秋野教授为核心,多名中青年教师为骨干组成的研究群体,主要面向新型电力系统和能源互联网运行与控制研究领域。近年来在新能源并网控制、新型电力系统稳定性、能源互联网的优化控制、能源路由器拓扑/控制策略、自能源非侵入式检测等方面的研究取得了丰硕成果。团队曾获得国家自然科学二等奖、国家科技进步二等奖、中国自动化学会科技进步一等奖等奖励十余项。主持国家重点研发计划、国家自然科学基金委重点项目等纵项课题三十余项。团队教师荣获国家万人计划科技创新领军人才、国家万人计划科技创新青年拔尖人才、国家级教学名师、兴辽人才计划“创新领军人才”,兴辽人才计划“青年拔尖人才”,辽宁省百千万人才等荣誉称号。通过总结多年的教学、科研经验,累计发表SCI、EI期刊论文百余篇。
作者简介

黄雨佳
博士研究生
研究方向为综合能源系统的能量流计算及其安全稳定运行分析。


孙秋野
教授,博士生导师,国家级科技创新领军人才,IET Fellow
研究方向为多能耦合系统的能流分析与分布式优化控制、能源路由器硬件拓扑、自能源状态感知、非侵入式检测与建模、电力设备状态检测技术、人工智能算法设计及应用。通信作者
E-mail:
sunqiuye@mail.neu.edu.cn


王睿
讲师
研究方向为含高比例可再生能源的新型电力系统潮流计算。

姚葭
博士研究生
研究方向为综合能源系统的能量流计算与分析。
编辑:李锡
审核:周舟
《全球能源互联网》中文期刊贯彻落实习近平总书记关于探讨构建全球能源互联网重要指示精神而创办,是国家电网有限公司重点培育的科技期刊,致力于通过发表能源电力、先进信息、气变环境、经济社会等领域最新研究成果,推进构建新型电力系统,加速全球能源绿色低碳转型,助力实现“碳达峰、碳中和”目标。
期刊面向全球公开发行,是中国科技核心期刊,并被中国科学引文数据库(CSCD)、DOAJ 数据库等收录。期刊审稿速度快,平均周期2个月,不收取版面费并设有优厚稿酬。优秀论文作者有机会受邀出席联合国、全球能源互联网发展合作组织、IEEE、中国电机工程学会等国际组织和学术团体举办的学术活动。
诚邀各位专家赐稿交流。
郑重声明
根据国家版权局相关规定,纸媒、网站、微博、微信公众号转载、摘编本网站作品,需包含本网站名称、二维码等关键信息,并在文首注明《全球能源互联网》原创。 个人请按本网站原文转发、分享。



