【专题论文】有源型柔性直流输电技术在全球能源互联网背景下的应用研究
发布时间:2020-04-02
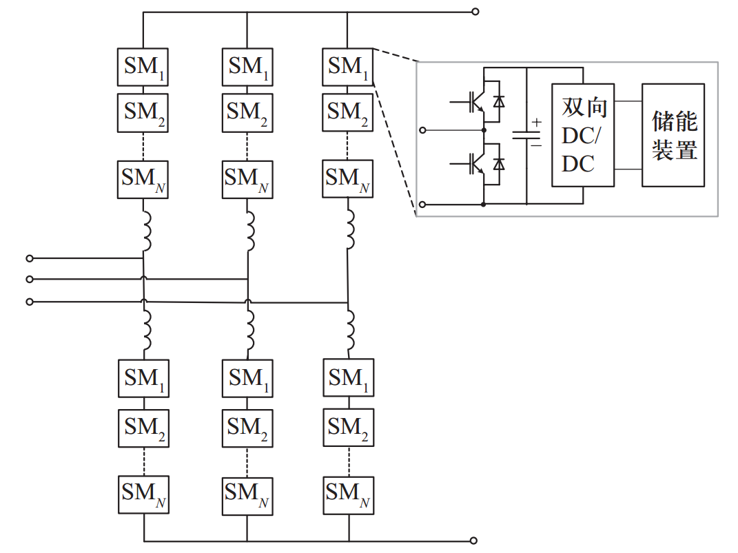
有源型柔性直流输电技术 在全球能源互联网背景下的应用研究 刘耀1,吴佳玮1,肖晋宇1,侯金鸣1,赵小令1,徐雨哲2,张哲任2,徐政2 (1.全球能源互联网集团有限公司;2.浙江大学电气工程学院) 文章导读 全球能源互联网是实现新能源资源在全球范围内合理配置和高效利用的重要发展方向。基于模块化多电平换流器(MMC)的柔性直流输电技术凭借其可以为无源电网提供支撑和控制灵活的特点,正逐渐成为构建全球能源互联网的重要技术手段之一。本文对柔性直流输电技术在全球能源互联网背景下的应用进行了深入的研究。首先梳理了柔性直流输电在全球能源互联网中的3种典型应用场景。接着利用PSCAD/EMTDC仿真研究了传统柔性直流在典型应用场景下的故障特性,分析了其在应用于全球能源互联网时的不足。针对这些不足,提出了一种具有解耦运行能力的基于锂电池储能装置的有源型柔性直流输电技术,并对其拓扑结构和控制策略进行了介绍。 主要内容 对柔性直流输电的3种典型典型应用场景进行了故障分析,得出:交直流互联电网中交流系统和柔性直流系统存在较强的相互影响,送受端的交流故障均会对另一侧的非故障系统产生功率冲击。而在全球能源互联网背景下,非故障站交流系统受到直流线路另一侧交流故障的影响通常是不可接受的,因此,全球能源互联网对于柔性直流输电系统提出了新的技术需求。 本文提出了一种具有交直流解耦运行能力的有源型MMC换流器,其拓扑结构如图1(a)所示,子模块拓扑结构如图1(b)所示。在稳态运行时,储能装置不与外界进行能量交换,有源型MMC同常规MMC能量流动特性相同。当交流系统发生故障时,储能装置将用来支撑直流电压和直流功率,隔离交流故障对于直流侧的冲击。 ![]() ⬆ 图1 有源型MMC换流器拓扑结构 有源型MMC换流站的控制器可分为MMC本体控制策略和储能装置控制策略两部分。其中本体控制策略如图2所示。储能装置控制策略如图3所示。 ![]() ⬆ 图2 有源型MMC换流器控制策略 ![]() ⬆ 图3 有源型MMC换流器储能装置控制策略 本文引文信息 刘耀,吴佳玮,肖晋宇,等. 有源型柔性直流输电技术在全球能源互联网背景下的应用研究[J]. 全球能源互联网,2019,3(2):107-116. LIU Yao, WU Jiawei, XIAO Jinyu, et al. Application of active MMC-HVDC in the background of global energy interconnection[J]. Journal of Global Energy Interconnection, 2019, 3(2): 107-116(in Chinese). 作者简介 ![]() 刘耀 高级工程师 研究方向为高压直流输电、电力系统仿真及新型输电技术 ![]() ![]() 吴佳玮 博士 研究方向为柔性直流输电、高电压技术、新能源资源评估 E-mail:jiawei-wu@geidco.org ![]() ![]() 肖晋宇 博士,教授级高级工程师 研究方向为电力系统规划设计和电力系统分析 ![]() ![]() 侯金鸣 高工 研究方向为电网调度运行及电网规划 ![]() ![]() 赵小令 博士 研究方向为高电压技术、气体绝缘与灭弧、高压海缆输电技术 ![]() ![]() 徐雨哲 博士研究生 研究方向为直流输电与柔性交流输电 ![]() ![]() 张哲任 博士后 研究方向为直流输电与柔性交流输电 ![]() ![]() 徐政 教授,博士生导师 研究方向为大规模交直流电力系统分析、直流输电与柔性交流输电、新能源发电及其并网技术等 编辑:李锡 审核:白恺 |
郑重声明
根据国家版权局相关规定,纸媒、网站、微博、微信公众号转载、摘编本网站作品,需包含本网站名称、二维码等关键信息,并在文首注明《全球能源互联网》原创。 个人请按本网站原文转发、分享。














