A modified lumped parameter model of distribution transformer winding
2020-08-09
A modified lumped parameter model of distribution transformer winding
一种改进的配电变压器绕组集总参数模型
Qingqing Ding1, Yao Yao2, Bingqian Wang3, Jingwei Fu4, Wei Zhang 1, Chao Zeng1, Xiaoping Li2, Stanimir Valtchev5
(1.State Key Laboratory of Power System, Department of Electrical Engineering, Tsinghua University,Haidian District, Beijing, 100084, P.R. China 2.State Grid Hubei Electric Power Co., Research Institute (HBEPRI), Hongshan District, Wuhan 430077, P.R. China 3.Flexible Transmission Engineering Department, Nari-Relays Electric Company, 210003 Nanjing, P.R. China 4.State Grid Hubei Electric Power Co., Ltd, Hongshan District, 430077 Wuhan, P.R. China 5.Department of Electrical and Computer Engineering, Faculty of Science and Technology, UNL, Portugal)
一分钟语音讲解 |
Abstract
Keywords
Wide band frequency response, Distributed parameter model, Lumped parameter model, Distribution transformer, Lightning protection.

Fig.1 Simulation of the lightning wave

Fig.2 Amplitude-frequency analysis of the lightning wave whenT1 = 1.2 μs, T2 =50 μs

Fig.3 Amplitude-frequency analysis of the lightning wave when T1 = 10 μs, T2=350 μs

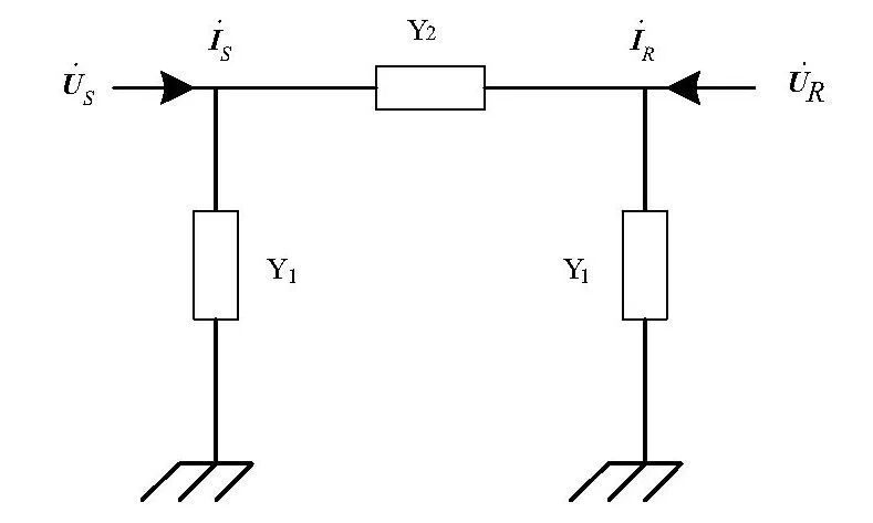
Fig.4 A π type equivalent circuit of MTL model

Fig.5 The π type equivalent circuit of lumped parameter model

Fig.6 Relative error of the equivalent equation of csch (x)

Fig.7 Relative error of the equivalent equation of coth (x)

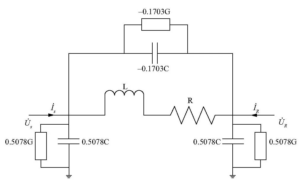
Fig.8 Lumped parameter model equivalent circuit

Fig.9 Amplitude-frequency characteristic of voltage transfer function at No. 217 node
本文引文信息
Ding Q, Yao Y, Wang B, Fu, J, Zhang W, Zeng C, Li X, Valtchev S (2020) A modified lumped parameter model of distribution transformer winding. Global Energy Interconnection, 3(2): 158-165
丁青青,姚尧,王冰倩,傅景伟,张维,曾超,李小平,斯塔尼米尔·瓦尔切夫 (2020) 一种改进的配电变压器绕组集总参数模型. 全球能源互联网(英文),3(2): 158-165
Biographies

Qingqing Ding
received her bachelor and master degrees in Electrical Engineering from Tsinghua University, Beijing, China. Now, she is an associate professor of Department of Electrical Engineering in Tsinghua University. Her major fields of interests include Nonlinear Control of Power System, System Measurement and Control Technology and Lightning Protection.


Yao Yao
received Ph.D. degree at Wuhan University, Wuhan, 2008. He is working in State Grid Hubei Electric Power Co. Research Institute (HBEPRI), Wuhan. His research interests include high voltage and insulation technology, power system overvoltage and insulation co-ordination, transmission line disaster prevention andreduction.


Bingqian Wang
received her bachelor degree in Electrical Engineering from Huazhong University of Science and Technology, Wuhan, China, in 2014. She received her master degree in Electrical Engineering from Tsinghua University, Beijing, China, in 2017. Now, she is working at Nari-Relays electric Co., Ltd., Nanjing, China. Her major fields of interest are Lightning Protection and HVDC Control and Protection.


Jingwei Fu
received master degree at Northeast Electric Power University, Jilin, 1986. He is working in State Grid Hubei Electric Power Co., LTD., Wuhan. His research interests include electric power market, development planning and Marketing.


Wei Zhang
received his bachelor degree in Electrical Engineering in 2016 and is working towards his master degree at Tsinghua University, Beijing, China. His research interest includes transformer modelling and lightning protection.


Chao Zeng
received his bachelor degree in Electrical Engineering from Huazhong University of Science and Technology, Wuhan, China, in 2015. He is currently pursuing his master degree in Tsinghua University, Beijing, China. His research interests include lightning induced overvoltage calculate and UAV.


Xiaoping Li
received master degree at Huazhong University of Science and Technology, Wuhan, 1995. He is working in State Grid Hubei Electric Power Co. Research Institute (HBEPRI), Wuhan. His research interests include power system analysis and power quality.


Stanimir Valtchev
(IEEE Senior Member’08) best graduate of 1974, Technical University Sofia (TUS), in semiconductor and electronics technology, Auxiliary Director of Centre of Robotics of TUS, 1987 assistant professor in TU Delft/NL and in TU Sofia/Bulgaria (Power Supplies and Converters), vice dean of foreign students of TUS. Now in UNL/Portugal, Invited Full Professor of Burgas Free University, and Invited Professor of TUS,Bulgaria. On advisory Board in Skoltech/Moscow and BJTU/Beijing, General Chair of the IEEE-PEMC2016 conference and Chair of Subcommittee in IES of IEEE.
Editor: Zhou Zhou


