High impedance fault detection in distribution network based on S-transform and average singular entropy
2023-04-14
【论文推荐】福州大学杨耿杰等:基于S变换和平均奇异熵的配电网高阻故障检测
摘要
当配电网中发生高阻抗故障(HIF)时,由于故障信息微弱,传统保护装置的检测效率受到较大限制。在本研究中,提出了一种基于S变换(ST)和平均奇异熵(ASE)的方法来识别HIF。首先,应用小波包变换(WPT)来提取特征频段。此后,在每个半周期内实施ST。之后,通过奇异值分解(SVD)对得到的时频矩阵进行去噪,接着计算ASE指标。最后,选择一个适当的阈值来检测HIFs。该方法的优点是具有精细频带划分、自适应时频变换和信号复杂度定量表达的能力。仿真和现场数据验证了所提方法的性能,进一步分析表明,在不同试验条件下,该方法仍能取得良好的效果。
High impedance fault detection in distribution network based on S-transform and average singular entropy
基于S变换和平均奇异熵的配电网高阻故障检测
Xiaofeng Zeng1,Wei Gao1,Gengjie Yang1
(1. College of Electrical Engineering and Automation, Fuzhou University, Fuzhou 350108, P. R. China)
收听作者1分钟语音介绍
Abstract
Keywords
High impedance fault (HIF), Wavelet packet transform (WPT), S-transform (ST), Singular entropy (SE).

Fig.1 Zero-sequence current and spectra of HIFs and nonHIFs. (a) Field waveforms, (b) spectra of the field waveforms, (c) simulated waveforms, and (d) spectra of the simulated waveforms

Fig.2 Flow chart of proposed HIF detection method

Fig.3 HIF model

Fig.4 Topology of simulated 10 kV distribution network

Fig.5 Simulation current waveforms: (a) H1, (b) H2, (c) H3, (d) H4, (e) LIF, (f) SGF, (g) CS, and (h) LB

Fig.6 Spectra of different signals: (a) HIFs and (b) disturbances

Fig.7 Reconstructed waveforms: (a) H1, (b) H2, (c) H3, (d) H4, (e) LIF, (f) SGF, (g) CS, and (h) LBS

Fig.8 Field signals. (a) HIF: dry cement, (b) HIF: dry soil, (c) unbalanced CS, and (d) SGF

Fig.9 SEm of different signals

Fig.10 Ratio E of different signals

Fig.11 Detection result at different sampling frequencies

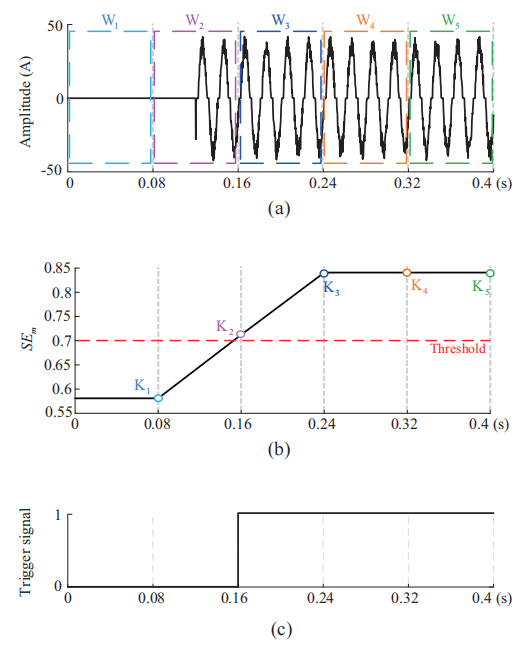
Fig.12 Response of the proposed method: (a) zero-sequence current of HIF, (b) SEm of different sampling moments, and (c) performance of the trigger signal

Fig.13 Single fault decision results for intermittent HIFs: (a) zero sequence current waveform, (b) SEm of each Wi, and (c) trigger signal

Fig.14 Topology of the simulated 35 kV distribution system

Fig.15 Topology of IEEE-34 Node Feeder

Fig.16 Current signals at different locations: (a) HIF at node 802, (b) HIF at node 848, (c) CS at node 802, and (d) CS at node 848

Fig.17 SEm of different current signals at node 802 and 848

Fig.18 Zero-sequence current of three-phase parameter asymmetric events. (a) Asymmetric line parameters, (b) unbalanced CS, (c) two-phase ground fault, and (d) twopoint ground fault
本文引文信息
Zeng XF, Gao W, Yang GJ (2023) High impedance fault detection in distribution network based on S-transform and average singular entropy. Global Energy Interconnection, 6(1): 64-80
曾肖枫,高伟,杨耿杰 (2023) 基于S变换和平均奇异熵的配电网高阻故障检测. 全球能源互联网(英文), 6(1): 64-80
Biographies

Xiaofeng Zeng
Xiaofeng Zeng received the B.S. degree at Fujian Agriculture and Forestry University, Fuzhou, China, in 2020. She is working towards the M.S. degree at Fuzhou University, Fuzhou, China. Her research interests include diagnosis and modeling of high impedance fault in the distribution system.


Wei Gao
Wei Gao received the B.S. and M.S. degrees at Fuzhou University, China, in 2005 and 2008, respectively, and Ph.D. degree at National Taiwan University of Science and Technology, Taiwan, in 2021. He is currently an Associate Professor in Fuzhou University. His research area mainly focuses on generation technology of photovoltaic and faults diagnosis of power equipment.


Gengjie Yang
Gengjie Yang received the B.S. and M.S. degrees at Fuzhou University, Fuzhou, China, in 1985 and 1988, respectively. He is a Professor in Fuzhou University. His research interests include power system analysis and control.
编辑:刘通明
审核:王 伟
郑重声明
根据国家版权局相关规定,纸媒、网站、微博、微信公众号转载、摘编本网站作品,需包含本网站名称、二维码等关键信息,并在文首注明《全球能源互联网》原创。 个人请按本网站原文转发、分享。
                

