Hybrid MPPT approach using Cuckoo Search and Grey Wolf Optimizer for PV systems under variant operating conditions
2023-01-16
【论文推荐】伊拉克伊卡拉大学吉南·阿卜杜哈桑·萨利姆等:基于布谷鸟搜索-灰狼优化的光伏系统多种运行条件最大功率点跟踪混合算法
摘要
光伏系统容易受到遮挡及不均匀环境条件的影响,旁路二极管的引入可以防止光伏组件中过热点的发生,但会在光伏阵列功率-电压特性曲线中产生大量峰值。此时运用传统的最大功率点跟踪方法可能会让系统工作在某一个局部峰值附近,而无法确保工作在最大峰值上。群优化方法可以解决这一问题,但其收敛时间过长。灰狼优化算法是一种快速且更可靠的优化算法,适用于在不同局部阴影遮挡下光伏系统的最大功率点跟踪。传统的灰狼优化算法涉及较长的转换时间、较大的稳态振荡和高故障率。本工作通过将布谷鸟搜索与灰狼优化算法相结合来解决这些问题,以提高最大功率点跟踪性能。并将该方法与传统的灰狼优化算法和基于扰动观测的最大功率点跟踪方法进行了比较。对比分析表明,在非均匀运行条件下,本文提出的灰狼优化-布谷鸟搜索混合算法优于其他两种方法。
Hybrid MPPT approach using Cuckoo Search and Grey Wolf Optimizer for PV systems under variant operating conditions
基于布谷鸟搜索-灰狼优化的光伏系统多种运行条件最大功率点跟踪混合算法
Jinan Abdulhasan Salim1, Baraa M. Albaker1, Muwafaq Shyaa Alwan1, M. Hasanuzzaman2
(1.College of Engineering, Al-Iraqia University, Saba’a Abkar Compex, Baghdad, Iraq
2.Higher Institution Centre of Excellence (HICoE), UM Power Energy Dedicated Advanced Centre
(UMPEDAC), Level 4, Wisma R&D, University of Malaya, Jalan Pantai Baharu, 59990 Kuala Lumpur,Malaysia)
Abstract
Keywords
Cuckoo Search, GWO MPPT, Hybrid MPPT, PV system, Luo DC-DC converter.

Fig.1 The proposed system configuration

Fig.2 Equivalent circuit of the PV cell’s double-diode model [28]

Fig.3 Equivalent circuit of positive super lift Luo converter,(a) elementary circuit (b) ON switch, (c) OFF switch

Fig.4 P-V graph for P&O control method

Fig.5 Flowchart of the control method of P&O

Fig.6 Matlab simulation of MPPT controller

Fig.7 GWO/GWOCS-based MPPT for PV systems

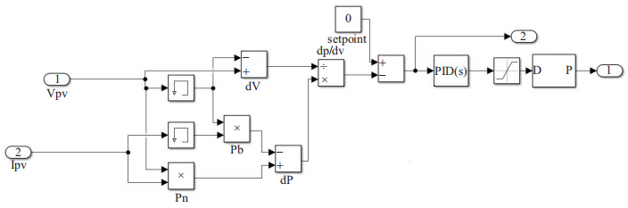
Fig.8 dP/dV feedback based MPPT control scheme

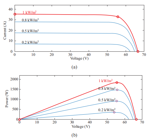
Fig.9 (a) I-V curve and (b) P-V curve at different irradiation level

Fig.10 (a) I-V curve and (b) P-V curve at different temperature level

Fig.11 PV current response under STC condition

Fig.12 PV voltage response under STC condition

Fig.13 PV power response under STC condition

Fig.14 P-V curve under STC condition

Fig.15 Non-uniform irradiance

Fig.16 PV current response under non-uniform irradiance

Fig.17 PV voltage response under non-uniform irradiance

Fig.18 PV power of proposed system under non-uniformirradiance

Fig.19 P-V curve at different irradiance levels

Fig.20 Change profile of temperature

Fig.21 Dynamic response of PV current under variable temperature

Fig.22 Dynamic response of PV voltage under variable temperature

Fig.23 Dynamic response of PV power under variable temperature

Fig.24 P-V curve under at different temperature levels

Fig.25 Profile of irradiance

Fig.26 Profile of variable temperature

Fig.27 Dynamic response of PV currents under varying temperature and irradiance

Fig.28 PV voltages dynamic response under varying temperatures and irradiance

Fig.29 Dynamic response of PV power under variable temperature and irradiance

Fig.30 P-V curve under varying irradiance and temperatures levels

Fig.31 Sinusoidal profile of irradiance

Fig.32 Dynamic response of PV current under sinusoidal test

Fig.33 Dynamic response of PV voltage under sinusoidal test

Fig.34 Dynamic response of PV power under sinusoidal test

Fig.35 P-V curve under sinusoidal test
本文引文信息
Jinan A S, Baraa M A, Muwafaq S A, et al. (2022) Hybrid MPPT approach using Cuckoo Search and Grey Wolf Optimizer for PV systems under variant operating conditions. Global Energy Interconnection, 5(6): 627-644
吉南·阿卜杜哈桑·萨利姆,巴拉·阿尔巴克,穆瓦法克· 希亚·阿尔万等 (2022) 基于布谷鸟搜索-灰狼优化的光伏系统多种运行条件最大功率点跟踪混合算法. 全球能源互联网(英文), 5(6): 627-644
Biographies

Jinan Abdulhasan Salim
Jinan Abdulhasan Salim is working toward the M.Sc. degree at the College of Engineering, Al-Iraqia University, Baghdad, Iraq. Her research interests include artificial intelligence and renewable energy.


Asst. Prof. Dr. Baraa Munqith Albaker
Asst. Prof. Dr. Baraa Munqith Albaker received the Ph.D. degree at University of Malaya, Malaysia, 2012. Presently, he works as the head of the Electrical Engineering department at Al-Iraqia University, Baghdad, Iraq. His research interests include contemporary development in computer and control applications.


Prof. Dr. Muwafaq Sh. Alwan
Prof. Dr. Muwafaq Sh. Alwan received the Ph.D. degree at University of Technology, Baghdad, Iraq in 2012. He is working as lecturer and researcher at the College of Engineering, Al-Iraqia University, Baghdad, Iraq. His research interests include thermal performance of film cooling and renewable energy.


Md. Hasanuzzaman
Md. Hasanuzzaman received the B.Sc. degree in Mechanical Engineering from Bangladesh University of Engineering and Technology (BUET), Bangladesh, in 2005, and the M. Eng. Sc. and Ph.D. degrees from University of Malaya, Malaysia, in 2008 and 2011, respectively. Dr. Hasanuzzaman is presently working as Associate Professor at the UM Power Energy Dedicated Advanced Centre, Higher Institution Centre of Excellence (HICoE), University of Malaya, Malaysia. He was listed among the world’s top 2% scientists for the years 2020 and 2021. He received a University of Malaya Excellence Award in 2012 for his remarkable achievement during his Ph.D. studies, and received the Bangladesh Scholarship Council and the Nippon Foundation (Japan, 2003–2004).
编辑:王彦博
审核:王 伟
郑重声明
根据国家版权局相关规定,纸媒、网站、微博、微信公众号转载、摘编本网站作品,需包含本网站名称、二维码等关键信息,并在文首注明《全球能源互联网》原创。 个人请按本网站原文转发、分享。
                

