Sustainably integrating desalination with solar power to overcome future freshwater scarcity in China
2019-05-08
Chen C, Jiang Y, Ye Z, Yang Y, Hou L (2019) Sustainably integrating desalination with solar power to overcome future freshwater scarcity in China. Global Energy Interconnection. 2(2): 98-113
Authors:Chao Chen1 , Yilin Jiang1, Zhaoyong Ye1, Yu Yang1, Li’an Hou2
Institution:1. School of Environment, Beijing Normal University, Beijing 100875, P.R. China
2. Institute of Logistics Science and Technology of the Rocket Army, Beijing, P.R. China
Acknowledgements:This work was supported by the State Grid Science and Technology Project (No. 52450018000F, Title: Synergistic Development Theory and Key Technology Research of Seawater Deslination and Clean Energy).
Sustainably integrating desalination with solar power to overcome future freshwater scarcity in China
Abstract
Keywords
Desalination, Solar energy.

Fig.1 Total water resources (100 million m3) based on cartographic data from the National Bureau of Statistics

Fig.2 Water resources per capita (cubic meters) based on cartographic data from the National Bureau of Statistics

Fig.3 Seawater desalination distribution in China (2017)

Fig.4 Annual sunshine hours in China (2016)
Source: National Meteorological Information Center

Fig.5 Schematic of solar power coupled with desalination

Fig.6 Schematic diagram of a desalination system integrated with a solar chimney

Fig.7 Schematics of solar stills: (a) single stage solar still,(b) solar still with collector, (c) solar still with condenser, and(d) multi-stage solar still


Fig.8 Worldwide desalination technologies powered by indirect solar energy (left) and desalination technologies used in China (right)

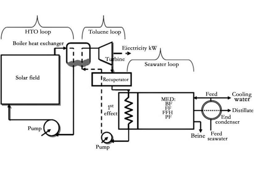
Fig. 9 Schematic diagram of solar-MED components for desalination and power generation: solar field, boiler heat exchanger, pump, turbine, recuperator, and MED

Fig.10 Operating principle of the solar-powered reverse osmosis (RO) system
Biographies

Chao Chen
received his bachelor degree in environmental engineering from Hubei normal university, China in 2016. He is working towards the Ph.D. degree in environmental engineering at Beijing Normal University, China. His research interests include membrane potable water treatment technology, desalination and comprehensive utilization of seawater.

Zhaoyong Ye
received his master degree from Northeast Electric Power University in 2017. He is working towards the Ph.D. degree in the School of Environment, Beijing Normal University. His research interests include water treatment technology, modified membrane preparation, desalination treatment, and radionuclides removal technology.

Yilin Jiang
received her bachelor degree in environmental engineering from Beijing Normal University, China in 2018. Currently, she is working towards the master degree in environmental engineering at Beijing Normal University, China. Her research interests include membrane potable water treatment technology, desalination and comprehensive utilization of seawater.

Yu Yang
received her Ph.D. degree from the University of Tokyo, Japan, in 2012. Her immediate role is Associate professor of the School of Environment at Beijing Normal university. She is also director of the water pollution control institute. Her research interests include reuse technology for drinking water, membrane combination process, Nano-modified membrane technology and membrane fouling control.

Li’an Hou
is an academician of the Chinese Academy of Engineering. He received the Ph.D. degree from the Institute of Chemical Defense, PLA Academy of Military Sciences, Beijing, China in 2006. His immediate role is the Director of the Institute of Logistics Science and Technology of the Rocket Army. His research interests include application research of membrane technology, preparation and modification of membrane, radioactive wastewater treatment.
Editor :ChenYang Liu
Auditor:Wei Wang
                

